Vaš osebni distributer elektronskih in elektromehanskih komponent na debelo!
Količina:

0


Znesek:

0,00

VENTILATOR 5VDC 40x40x10mm Z LEŽAJI

+ TRETJA ŽICA

VENTILATOR 5VDC 40x40x10mm Z LEŽAJI
  • VENTILATOR 5VDC 40x40x10mm Z LEŽAJI
  • VENTILATOR 5VDC 40x40x10mm Z LEŽAJI
  • Cena brez DDV:

    13,9000 €

  • Cena z DDV:

    16,9580 €

  • Šifra artikla:

    M45/9572A

  • Enota:

    kos

Zaloga: 3-5 dni

Pošlji povpraševanje

Opis izdelka

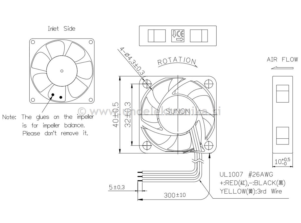
zunanje dimenzije ventilatorja: 40x40x10mm
delovna napetost: 5VDC
moč/tok: 0,83W 0,14A
tip ležaja: vapo ležaji
pretok zraka: 13,5m3/h
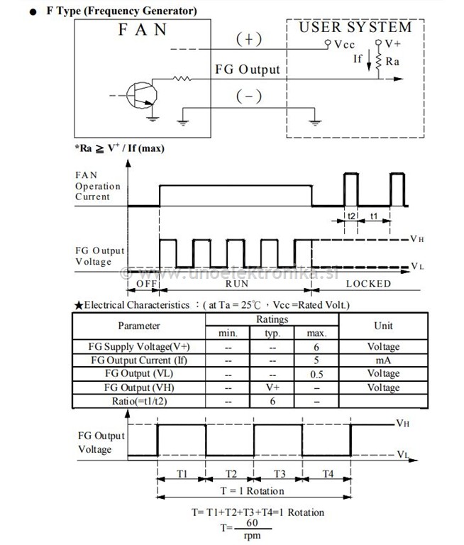
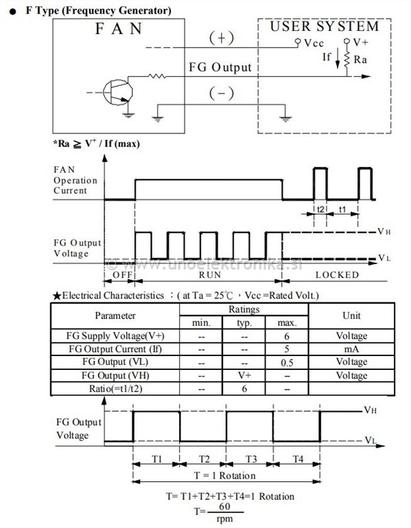
priklop: 3 žice* FG ( Frequency Generator )

*( tretja žica je namenjena kontroli vrtenja ventilatorja. Če ne potrebujete kontrole, žico lahko odrežete in izolirate. )