Vaš osebni distributer elektronskih in elektromehanskih komponent na debelo!
Količina:

0


Znesek:

0,00

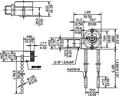
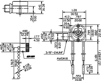
STIKALO POTEZNO VGRADNO Z VRVICO L=10cm

3A 250V

STIKALO POTEZNO VGRADNO Z VRVICO L=10cm
  • STIKALO POTEZNO VGRADNO Z VRVICO L=10cm
  • STIKALO POTEZNO VGRADNO Z VRVICO L=10cm
  • Cena brez DDV:

    4,9600 €

  • Cena z DDV:

    6,0512 €

  • Šifra artikla:

    MV00800

  • Enota:

    kos

Zaloga: 10+ kos

Dodaj v košarico
kos

Opis izdelka

Vgradno potezno stikalo z vrvico

maksimalna obremenitev: 3A 250VAC
priklop: žični
dolžina žic: 150mm
dolžina vrvice s kovinskimi balkicami: 100mm
za vgradnjo na panel- ploščo do debeline 3mm
premer izvrtine panela-plošče: 9mm